26厘米是多少寸(快速换算厘米和英寸的技巧)
26厘米是多少寸(快速换算厘米和英寸的技巧)
单位换算
(1)英寸换算:1码=3英尺=36英寸、l英尺=12英寸,通常在使用英寸时,采用简记符号“”
(2)厘米换算:lcm=10mm、ldm=10cm、1m=10dm。
英寸、英尺为英制单位,采用8与12进位;厘米与米为国际制单位,采用10进位,注意分别其不同。

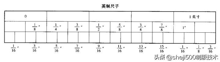
英制尺子示意图
厘米换算 英寸对照表

厘米换算英寸对照表
需要厘米换算 英寸对照表高清图复制免费下载链接
http://www.yimuhe.com/file-4909560.html在浏览器打开下载
快速换算英寸的方法
(1)快速口算:2.5CM=1";5cm=2";10cm=(4"-

");20cm=(8°-

");30cm=(12"-

");从中间可以看出规律公式:用已知厘米数

2.5,为了方便口算,也可以用已知3厘米数÷5×2,再减去相应的数,如10cm 要减去

"。20/m要减去

"、30cm要减去

"、40.m要减去

",依此类推。如果不能被整除或者有毫米数,最后再加上对照的分数就可以了。例如39.5cm是多少英寸,你就用35÷5×2=14",加上1

"(4.5cm=1

"),最后减去

"即得出15

"。
(2)死记快算:记住厘米对照的英寸分数、1~l0的对照英寸数:10cm、20cm、30cm、40cm.50cm.60cm等整数的对照数。将数据分为整数与尾数,分开对照为英寸再相加,就可以得出结果。例如:58.5cm=23",即用50m的19

"加上8cm的3

",再加上0.5cm的

"最后得出23"。
英寸换算厘米对照表

英寸换算厘米对照表示意图
需要英寸换算厘米对照表高清图复制免费下载链接
http://www.yimuhe.com/file-4909618.html在浏览器打开下载
快速换算厘米的方法
(1)快速口算:从1"=2.5cm、5"=12.7cm、10"=25.4cm、20"=50.8cm中间可以看出规律公式:用已知英寸数×2.5cm,再加上相应的数,如5”要加上0.2cm、10要加上0.4cm、15”要加上0.6cm、20"要加上0.8cm,依此类推。如果已知数有分数,再加上分数的对照数厘米就可以了。例如:16

"是多少厘米,你就用16"×2.5cm,加上lcm(

"=1cm),最后加上0.6cm,即得出41.6cm。
(2)死记快算:记住

“~1”之间的对照厘米数、1"-10"的对照厘米数;10"、20"、30"、40"、50"、60"、70"等整数的对照厘米数,将英寸数据分开为整数与分数,分开对照为厘米后再相加,就可以得出结果。例如:5

"=14cm,即用5"的12.7cm加上

"的1.3cm即得出14cm。



























